Innovative technologies and control strategies for energy-efficient improvement, sustainability, and flexible cooling in a next-generation refrigerator
Experimental setup of defrost optimisation studies.
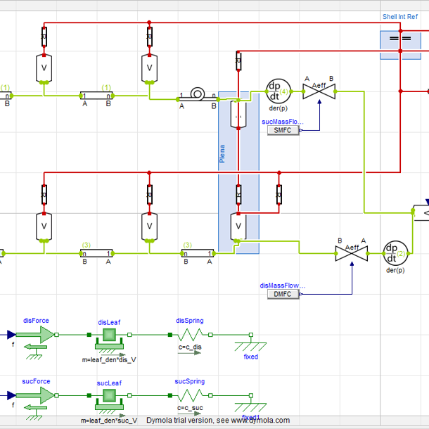
Full-Parallel Cooling System Design.
Modelling the EEV component on the cooling cycle.
Conference papers
- Cem Berk Tuzcu, Gökmen Peker, Mutlu İpek, “Energy Consumption Performance Evaluation of a Household Refrigerator with Electronic Expansion Valve”, The 26th International Congress of Refrigeration (ICR2023). Proceedings. Paris, France, August 2023. Poster presentation.
Next generation refrigerator
Location:
Arçelik, Istanbul, Turkey
Application:
Household appliance
Impact:
Reduction of GHG emissions and energy consumption
Description of the DEMO: To reach a high level of sustainability and resilient cooling goals, EEV application, full parallel system design, and defrost optimisation are promising technologies.
|
With the recent update of the eco-design domestic energy labelling system (A-G labels), the average energy consumption in the domestic refrigerator market is projected to decrease by up to 30% by 2025. To contribute to this goal, Demo 13 explores innovative technologies and control strategies to enhance household refrigerator energy efficiency. The demonstrator integrates multiple advancements:
Prototype evaluations have confirmed a 10% reduction in energy consumption, with ongoing refinements targeting even greater efficiency. These results are crucial for designing high-energy-efficiency class refrigerators in line with updated regulatory requirements. Publications: 1) “Performance evaluation of a domestic freezer with R600a and zeotropic mixtures of R600a/R290”, 15th IIR- Gustav Lorentzen Conference on Natural Refrigerants (GL2022). Proceedings. Trondheim, Norway, June 2022. 2) “Energy Consumption Performance Evaluation of a Household Refrigerator with Electronic Expansion Valve”, The 26th International Congress of Refrigeration (ICR2023). Proceedings. Paris, France, August 2023. 3) “The Effect of Capillary Tube Parameters and Use of Multi-Capillary on Energy Consumption in Vapor Compression Cycle”, Cukurova 9th International Scientific Researches Conference. Adana, Turkey, October 2022 |
MAIN CONTACT:
Serdar Kocatürk : serdar.kocaturk@arcelik.com
Mutlu İpek : mutlu.ipek@arcelik.com
Cem Berk Tuzcu, cemberk.tuzcu@arcelik.com
Hüseyin Cura, huseyin.cura@arcelik.com











